Electric Water Pump
The backing plate that came with the CSR water pump does not fit the early timing chain cover like the catalog claimed. I fabricated my own backing plate from .250 aluminum plate using the correct gasket as a template. Also the bolts holding the pump to the TC cover are about a half inch too short.
Drilling three 1/8" in. holes in the thermostat will substitute for the bypass hose that got eliminated. The heater hose is plumbed back to the unused port on the water pump using #10 A/N fittings and braided hose.
Moroso alternator bracket and homemade adjustent arm got the charging system up and running.
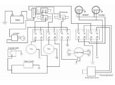
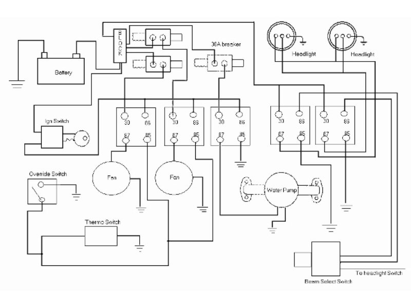
The relay and mounting rack is from a Dodge Caravan. I now have enough relays to wire the water pump, fans and headlights. I drew up my own schematic to follow to see on paper before making any electrical connections.
After I got everything hooked up and running I took it for a ride in and notice when the 160* thermostat opened the temp gauge would fall to 120* and climb back to 160* then fall back to 120* again. It finally bounced from 150* to 160*. After swapping the thermostat to a 195* 'stat is stays at 192* all day long.










